开云·体育
首 页
关于大亚
集团介绍
经营团队
发展历程
开云·体育
开云·体育
开云·体育
行业资讯
创新专题
产业版块
大家居
智能包装
新材料
新能源
品牌家族
圣象
大亚人造板
大亚包装
大亚车轮
大亚置业
加入大亚
人才观
社会招聘
校园招聘
信息公布
招投标信息
ENG
首 页
关于大亚
集团介绍
经营团队
发展历程
开云·体育
开云·体育
开云·体育
行业资讯
创新专题
产业版块
大家居
智能包装
新材料
新能源
品牌家族
圣象
大亚人造板
大亚包装
大亚车轮
大亚置业
加入大亚
人才观
社会招聘
校园招聘
信息公布
招投标信息
English
开云·体育
company news
江苏大亚滤嘴材料有限公司年产120亿支特种滤棒项目环境保护验收监测情况自主公示
2020-08-12
12555
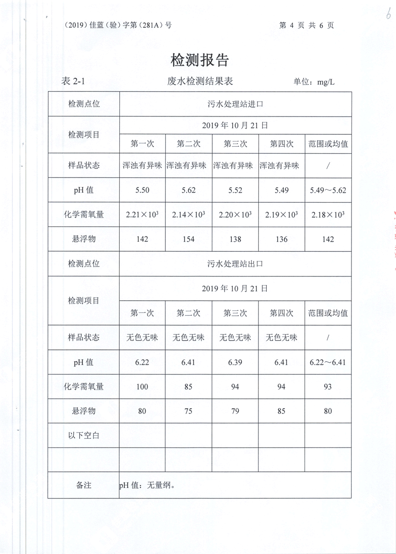
根据《国务院关于修改<建设项目竣工环境保护管理条例>》(国务院令第682号)以及环保部《关于发布<建设项目竣工环境保护验收暂行办法>的公告》(国环规环评(2017)4号),现将江苏大亚滤嘴材料有限公司年产120亿支特种滤棒项目环境保护验收内容(包括验收监测报告、验收意见)公示如下:
项目名称:江苏大亚滤嘴材料有限公司年产120亿支特种滤棒项目
地点:江苏省丹阳市经济开发区大亚工业园大亚路3号
建设单位:江苏大亚滤嘴材料有限公司
建设内容:项目总投资30000万元,改建厂房面积为14000平方米;项目以二醋酸纤维和三醋酸甘油酯等为主要原料,选购各类滤棒成型机和复合滤棒成型机等设备,采用开松、上胶、成型、粘结、分切等加工工艺,年产能力为120亿支特种滤棒。项目年耗电720万度、耗水10000吨、蒸汽4000吨。
公示时间:2020年8月12日至2020年8月20日(7个工作日)
联系人:刘玉萍
联系电话:
邮箱:
关于大亚
集团介绍
经营团队
发展历程
开云·体育
开云·体育
开云·体育
行业资讯
创新专题
产业版块
大家居
智能包装
新材料
新能源
品牌家族
圣象
大亚人造板
大亚包装
大亚车轮
大亚置业
加入大亚
人才观
社会招聘
校园招聘
信息公布
招投标信息
大亚科技集团有限公司
地址:江苏省丹阳市经济技术开发区齐梁路99号大亚工业园(212310)
电话:
传真:
E-mail:
@copy; 2025 - Copyright DARE All Rights Reserved